






O ensaio de tração avalia as propriedades de tensão de materiais metálicos à temperatura ambiente. Os resultados obtidos são: tensão de escoamento, resistência à tração, alongamento total e redução da área transversal do corpo de prova.
Normas: ASTM E8; ISO 6892
O ensaio de tração à alta temperatura possui os mesmos princípios que o ensaio de tração à temperatura ambiente e fornece os mesmos resultados, porém o material é submetido à temperaturas elevadas. É uma importante ferramenta para balizar parâmetros de ensaios de fluência, onde os materiais estão submetidos à altas temperaturas por longos períodos de tempo, tal como em caldeiras ou fornos.
Norma: ASTM E21
O MIB desenvolveu uma nova tecnologia de ensaios de tração em altas taxas de deformação como uma alternativa à tradicional Barra de Hopkinson. O objetivo é de determinar a curva tensão-deformação para taxas de deformação elevadas, fornecendo parâmetros para softwares computacionais de simulação de crash tests.
O ensaio de impacto Charpy é utilizado para determinar a tenacidade do material, dada pela energia absorvida pelo mesmo até se romper. A energia é fornecida por martelos padronizados. O teste ainda pode ser efetuado em temperaturas diversas.
Norma: ASTM E23
O ensaio de pressão por cunha visa estimar o limite de resistência à tração de ferros fundidos cinzentos sem elementos de liga.
Norma: ABNT NBR 4889
No ensaio de dureza Rockwell a dureza é obtida através da diferença de profundidade resultante da aplicação de uma pré-carga, seguida por outra de maior intensidade. É possível determinar a dureza Rockwell A, B, C, D, E, F, G, H e K. Este ensaio é amplamente utilizado no controle de qualidade de metais.
Norma: ASTM E18
No ensaio de dureza Brinell aplica-se uma carga utilizando um penetrador esférico de carbeto de tungstênio (WC) e mede-se a dureza em função do diâmetro da calota formada. Os diâmetros das esferas de WC podem ser de 1; 2,5; 5; e 10mm.
Norma: ASTM E10
O ensaio de microdureza Vickers determina a dureza de microconstituintes através das médias das diagonais formadas na penetração. O penetrador utilizado neste ensaio é uma pirâmide de diamante de base quadrada. Adicionalmente, é possível obter a profundidade de camadas tratadas por meio de um perfil de microdureza.
Norma: ASTM E384
A razão de Poisson é uma propriedade intrínseca do material que mede a deformação transversal em relação à longitudinal de um material homogêneo e isotrópico. O material é submetido a um ensaio de tração monitorando-se a variação dimensional da seção transversal e o comprimento do corpo de prova.
Norma: ASTM E132
Neste ensaio, aplica-se uma força uniaxial ao corpo de prova e mede-se os valores de tensão e deformação. O módulo de elasticidade é então calculado por meio da inclinação inicial da curva tensão-deformação. O resultado obtido é empregado em cálculos de rigidez de estruturas.
Norma: ASTM E111
Na determinação da anisotropia média e planar, um ensaio de tração mede a razão de deformação plástica (r) de uma chapa metálica utilizada para operações de estampagem profunda.
Normas: ASTM E517; ISO 10113; ISO 10275
A norma de referência estabelece um método para a obtenção do expoente de encruamento (n) utilizando dados obtidos em um teste de tração. As amostras devem possuir espessura entre 0,13mm e 6,40mm.
Norma: ASTM E646
O ensaio de flexão é utilizado para determinar propriedades de resistência à flexão, módulo de elasticidade, tenacidade, resiliência e ainda construir curvas de tensão x deformação. É comumente realizado em materiais como ferro fundido cinzento, aços ferramenta e carbonetos sinterizados. Adicionalmente, é empregado para avaliar a resistência de implantes ortopédicos de aço inoxidável ou ligas de titânio.
Norma: ASTM C1161
O ensaio determina as tensões residuais próximas a superfície de materiais isotrópicos linearmente elásticos. Apesar da simplicidade, as tensões no material não devem variar significantemente com a profundidade e não devem exceder metade da tensão de escoamento do material.
Norma: ASTM E837
O ensaio de fadiga de alto ciclo determina a resistência à fadiga por controle de tensão axial de materiais metálicos. Os corpos de prova, entalhados ou não, são submetidos a uma amplitude de tensão constante à temperatura ambiente. Os resultados são apresentados numa curva S-N (tensão-número de ciclos). Ainda podem ser realizados ensaio de fadiga por flexão 3-pontos, 4-pontos, cantilever.
Normas: ASTM E466; ASTM E468
Este ensaio determina propriedades de fadiga em materiais homogêneos ao serem submetidos à tensões uniaxiais, com amplitude controlada. O teste é comumente utilizado para processos de controle de qualidade, análise de falha, projeto mecânico e pesquisa.
Norma: ASTM E606
Este ensaio consiste em submeter um corpo de prova à solicitações de flexão, enquanto o mesmo é girado em torno de um eixo, por um sistema motriz com contagiros, numa rotação determinada e constante. Os resultados são apresentados numa curvas S-N (tensão-número de ciclos).
Norma: ASTM E466
Este ensaio determina a taxa de propagação de trincas. Os resultados são apresentados em gráficos de taxa de deformação em função da variação do fator de intensidade de tensão na ponta da trinca, definido pela teoria da mecânica da fratura elástica linear.
Norma: ASTM E647
Ensaios de fadiga termomecânica combinam um ciclo mecânico e um ciclo térmico simultaneamente. Este tipo de ensaio visa simular situações práticas, tal como as encontradas em discos de freio (na frenagem) e em motores (no aquecimento e resfriamento). Os ensaios podem ser realizados em-fase, onde a máxima deformação mecânica coincide com máxima temperatura do ciclo, ou fora-de-fase, onde a máxima deformação mecânica coincide com a mínima temperatura do ciclo.
Norma: ASTM E2368
O ensaio de CTOD (Crack Tip Opening Displacement) tem por objetivo determinar propriedades de tenacidade à fratura de materiais metálicos e é especialmente apropriado para materiais que apresentam comportamento de transição dútil-frágil com o decréscimo da temperatura.
Normas: ASTM E1290, ASTM E1820
A norma de referência estabelece um procedimento para o ensaio que determina a tenacidade à fratura em deformação plana (KIC) a partir de corpos de prova trincados por fadiga com no mínimo 1,6mm de espessura.
Normas: ASTM E399; ASTM E1820
O ensaio de fluência visa simular situações de solicitação mecânica em altas temperaturas por longos períodos de tempos, como em caldeiras, vasos de pressão, elementos estruturais de fornos e motores. A determinação da resistência à fluência é dependente do tempo que a amostra leva para se romper.
Norma: ASTM E139
Os ensaios de pull-out (arrancamento) e shear rivet (cisalhamento) são amplamente empregados pelas indústrias automotiva e aeronáutica para avaliar a resistência mecânica e capacidade de absorção de energia de juntas soldadas a ponto e rebitadas.
Este ensaio compara forças adesivas e coesivas, aplicando tensões normais à superfície do substrato e revestimentos produzidos por aspersão térmica. É um teste amplamente utilizado para controle de qualidade e P&D de camadas aspergidas, a fim de melhorar a adesão e integridade da camada.
Norma: ASTM C633
Este ensaio determina a resistência ao cisalhamento de revestimentos termicamente aspergidos.
Norma: DIN EN 15340
Este ensaio é amplamente utilizado na qualificação de juntas soldadas.
Norma: ASME IX
A determinação de perfil de tensões residuais pela técnica de flexibilidade ao entalhe pode ser empregada em chapas soldadas onde é necessário ter uma estimativa da magnitude das tensões residuais presentes no material. Nesta técnica, um entalhe de aresta feito por eletro-erosão a fio é introduzido em um corpo de prova retangular da junta a ser avaliada. À medida que o entalhe é introduzido, a relaxação de tensões provocada resulta em uma deformação do corpo de prova que é medida por meio de um extensômetro colado na face oposta. Em seguida, os valores de deformação são convertidos para tensão, utilizando-se conceitos de Mecânica da Fratura, em uma rotina computacional especialmente criada pelo MIB para tal finalidade.
A fragilização por hidrogênio é um fenômeno que ocorre quando átomos de hidrogênio são absorvidos pelo material, causando a diminuição de sua dutilidade e resistência à fratura. Esse fenômeno pode ser induzido por processos corrosivos e tratamentos eletroquímicos, que, ao liberarem hidrogênio, sob uma carga sustentada, afetam o desempenho do material. Ensaios conforme a norma ASTM F519 tem como objetivo avaliar a susceptibilidade do material à fragilização por hidrogênio.
Norma: ASTM F519





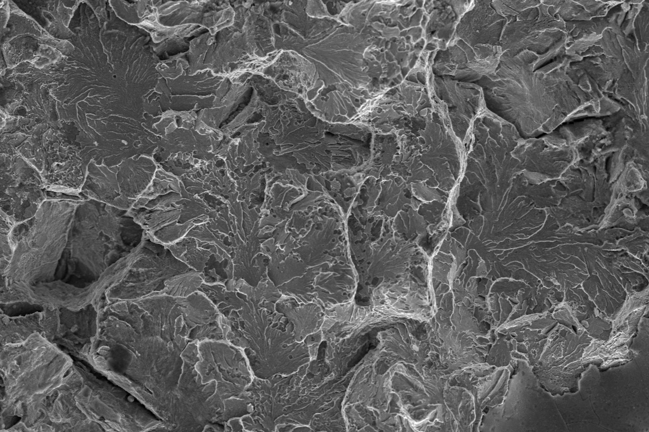
A microscopia eletrônica de varredura, aliada à técnica de EDX (microssonda), é uma poderosa ferramenta utilizada nos processos de análises de falhas de componentes. Por meio desta técnica é possível identificar os modos de fratura (frágil, dútil, por fadiga, etc), sítios de nucleação de trincas, presença de inclusões, defeitos de fundição e outros aspectos microestruturais capazes de evidenciar a causa raiz da falha de um componente.
A análise química via espectrometria de emissão óptica por centelhamento é uma técnica que analisa os elementos químicos no material. O ensaio demanda um controle preciso das muitas variáveis envolvidas na preparação e excitação da amostra. Para isto, são utilizados conjuntos de padrões para calibração, cujas composições químicas se aproximam da amostra a ser analisada.
Curvas para análise de:
Normas: ASTM A751, ASTM E415, ASTM E1086, ASTM E1251, ASTM 2994, ASTM E351
A análise química via combustão é um processo por queima que visa obter o teor de carbono e enxofre presentes em uma amostra.
Normas: ASTM A751, ASTM E415
A espectroscopia de energia dispersiva de raios-x (EDX ou EDS) é uma análise química semiquantitativa que identifica os elementos contidos na amostra, avaliando as interações dos elementos com a radiação eletromagnética emitida pelo equipamento. Cada elemento possui sua própria estrutura atômica, deste modo, a radiação incidida é emitida com um comprimento de onda modificado, possibilitando a sua identificação.
Normas: ASTM A751, ASTM E415
Este ensaio determina a resistência à corrosão atmosférica de aços baixo carbono através de dois métodos: por meio da perda de espessura e pela composição química.
Norma: ASTM G101
Neste ensaio utiliza-se um dilatômetro que registra a variação dimensional de um corpo sólido (comprimento ou volume) quando submetido à variações de temperatura.
Norma: ASTM E831
Condutividade térmica é a propriedade que caracteriza a habilidade do material transferir calor de regiões de alta temperatura para regiões de baixa temperatura. Este ensaio pode ser realizado em metais e ligas metálicas.
Norma: ASTM E1225
Normalização: tratamento térmico que proporciona homogeneização da química do aço e refino de grãos austeníticos que resultam em perlita fina ou, para hipereutetóides, uniformização da distribuição de carbonetos esferoidizados.
Recozimento: tratamento térmico que visa a redução da resistência mecânica e dureza e aumenta a ductilidade, o que facilita operações como usinagem e processos que envolvam deformação a frio.
Têmpera: tratamento térmico utilizado para formar martensita, fase metaestável de alta dureza, na microestrutura de aços. O tratamento submete a amostra a taxas de resfriamentos dependentes de sua composição química, principalmente teor de carbono.
A micro-texturização de uma superfície regula a energia superficial e o ângulo de contato, podendo levar à hidrofobicidade e melhorar as propriedades tribológicas da superfície e consequentemente o desempenho do material.






O ensaio determina o teor de inclusões não metálicas em aços. A classificação do teor de inclusões é feita por um método comparativo, baseado na morfologia, e não na natureza química.
Normas: ASTM E45; ISO 4967; ABNT NBR NM 88
O ensaio determina o tamanho médio de grão em amostras por meio do método comparativo. O procedimento consiste em comparar uma amostra em um microscópio metalográfico com uma ampliação específica através de quadros fornecidos pela norma, ou ainda o uso de lentes que possibilitam a comparação direta ao projetar o desenho na micrografia.
Normas: ASTM E112; ISO 643
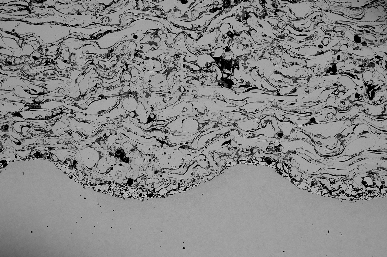
O bandeamento é uma condição microestrutural que apresenta bandas alternadas com diferentes microestruturas, paralelas à direção de laminação, que se desenvolve nos produtos de aço (em especial em aços baixo carbono). A determinação qualitativa e quantitativa do grau de bandeamento ou orientação da microestrutura é realizada por meio da análise morfológica juntamente a ensaios de microdureza.
Normas: ASTM E1268; ASTM E407
Este ensaio determina o grau de susceptibilidade de aços inoxidáveis austeníticos à corrosão intergranular. O ensaio é realizado em uma amostra polida, seguido de um ataque eletrolítico em solução de ácido oxálico, visando a detecção de precipitação de carbetos de cromo e fase sigma nos aços. A amostra é analisada em microscópio óptico.
Norma: ASTM A262
Este ensaio classifica o tipo, a distribuição e o tamanho da grafita em ferros fundidos. O ensaio é aplicado para todas as ligas Fe-C contendo partículas de grafita e também para ferro fundido cinzento, ferro fundido nodular e aço maleável.
Norma: ASTM A247
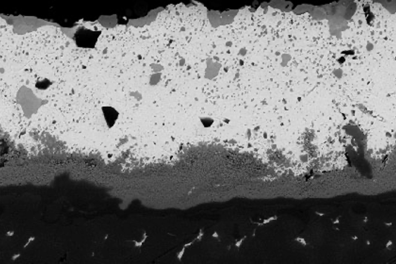
A análise de descarbonetação superficial determina a profundidade de descarbonetação em aços, através do microscópio óptico ou perfil de microdureza.
Normas: ABNT NBR 11299; ASTM E384; ASTM 1077






Permite a observação detalhada da microestrutura dos materiais, possibilitando a identificação de fases, contornos de grão e heterogeneidades com elevada ampliação e profundidade de campo.
Utilizada na análise de superfícies de fratura para identificação dos mecanismos de falha, como fratura dúctil, frágil ou por fadiga, bem como a determinação da origem e propagação de trincas.
Permite a análise das regiões onde as trincas se iniciam e como evoluem no material, contribuindo para a determinação da causa raiz de falhas em componentes.
Avalia a topografia e as características superficiais de materiais, possibilitando a identificação de irregularidades, desgaste, oxidação e interação entre diferentes fases ou materiais.
Permite a identificação de descontinuidades como poros, inclusões, trincas e defeitos de processamento que podem comprometer o desempenho do material.
Técnica utilizada para identificação qualitativa e semi-quantitativa dos elementos presentes em regiões específicas da amostra.
Permite a análise química de partículas ou resíduos presentes na superfície ou no interior do material, auxiliando na investigação de falhas e problemas de processo.
Geração de mapas elementares que mostram a distribuição dos elementos químicos na amostra, permitindo identificar segregações, fases e heterogeneidades.
Avaliação da espessura, continuidade e integridade de camadas superficiais e revestimentos, incluindo análise de defeitos e aderência.
Integração das análises morfológicas e químicas para compreensão do comportamento do material e dos mecanismos envolvidos em falhas.





Este ensaio avalia o comportamento de materiais na condição de desgaste abrasivo pino-sobre-disco. Os materiais são testados aos pares, sendo possível determinar a influência dos diversos parâmetros nas razões de desgaste para várias combinações de materiais entre pino e disco. Adicionalmente, é possível realizar análises para determinação do lubrificante mais adequado a uma determinada situação de atrito. O ensaio pode ser feito em materiais metálicos, cerâmicos, poliméricos e compósitos.
Norma: ASTM G99
Este ensaio avalia a resistência à abrasão de materiais e revestimentos contra desgastes, no qual um disco de aço envolvido com um anel de borracha gira em contato com a superfície do corpo de prova, contendo um abrasivo na interface (fluxo de ar com areia de granulometria controlada). O ensaio pode ser realizado a seco ou a úmido e o desgaste é avaliado pela perda de massa ou perda de volume, dependendo dos materiais que estão sendo comparados.
Normas: ASTM G65; ASTM G105
Este ensaio determina o desgaste decorrente do contato entre superfícies sólidas e duras. O ensaio impõe tensões Hertzianas de contato às amostras. Exemplos deste tipo de situação são encontradas em contatos do tipo roda-trilho, no qual o dano surge por meio de trincas nucleadas superficialmente ou sub-superficialmente que removem sucessivas lascas de material, resultando em perda de massa.
O ensaio de tamboreamento consiste de um ensaio de desgaste onde os corpos de prova são dispostos circunferencialmente em um tambor entrando em contato com um meio abrasivo. Os ensaios podem ser realizados em materiais originais, modificados superficialmente e/ou após ciclos pré-definidos, a fim de avaliar a resistência ao desgaste das superfícies de interesse.
Método: SSAB
Este ensaio é realizado em amostras de formato esférico que são colocadas dentro de um moinho contendo um meio abrasivo/corrosivo. Em intervalos de tempo pré-programados, calcula-se a perda de massa do material para que sua resistência ao desgaste possa ser determinada posteriormente.
O ensaio de oxidação cíclica é realizado para avaliar a resistência do material à variação cíclica de temperatura. É uma versão mais agressiva do ensaio isotérmico pois pode favorecer o destacamento de camadas de óxidos superficiais nos metais.
Este ensaio é conduzido sob a presença de sais na superfície do material. A presença de sais de baixo ponto de fusão pode acelerar o processo de difusão atômica, favorecendo um incremento da taxa de oxidação do material.
O ensaio de corrosão sob tensão avalia a degradação do material sob sinérgica interação de um ambiente corrosivo, de tensões de tração e de materiais suscetíveis, além do tempo para que o fenômeno ocorra. A temperatura de operação também é um fator que contribui de maneira significativa para a corrosão sob tensão.
Normas: ASTM G123, ASTM G36; ASTM G49; ASTM G39
Este ensaio determina o grau de susceptibilidade de aços inoxidáveis austeníticos à corrosão intergranular. O ensaio é realizado em uma amostra polida, seguido de um ataque eletrolítico em solução de ácido oxálico, visando a detecção de precipitação de carbetos de cromo e fase sigma nos aços. A amostra é analisada em microscópio óptico.
Norma: ASTM A262


A qualificação de processos de soldagem possui dois objetivos: a verificação da qualidade intrínseca da junta soldada e a qualificação dos soldadores. Normalmente, para estes processos de qualificação, são empregados ensaios de tração, dobramento, dureza e impacto, além de análises não destrutivas, incluindo-se análises visual, via líquido penetrante, ultrassom e partículas magnéticas.
Normas: AWS A4.1, ASME Section IX